廠家直銷、品質鋼材、品類齊全、支持定制、快速供貨
咨詢熱線:
劉總 13961737591
60秒人工快速響應
30分鐘給予技術答復
24小時免費定制方案
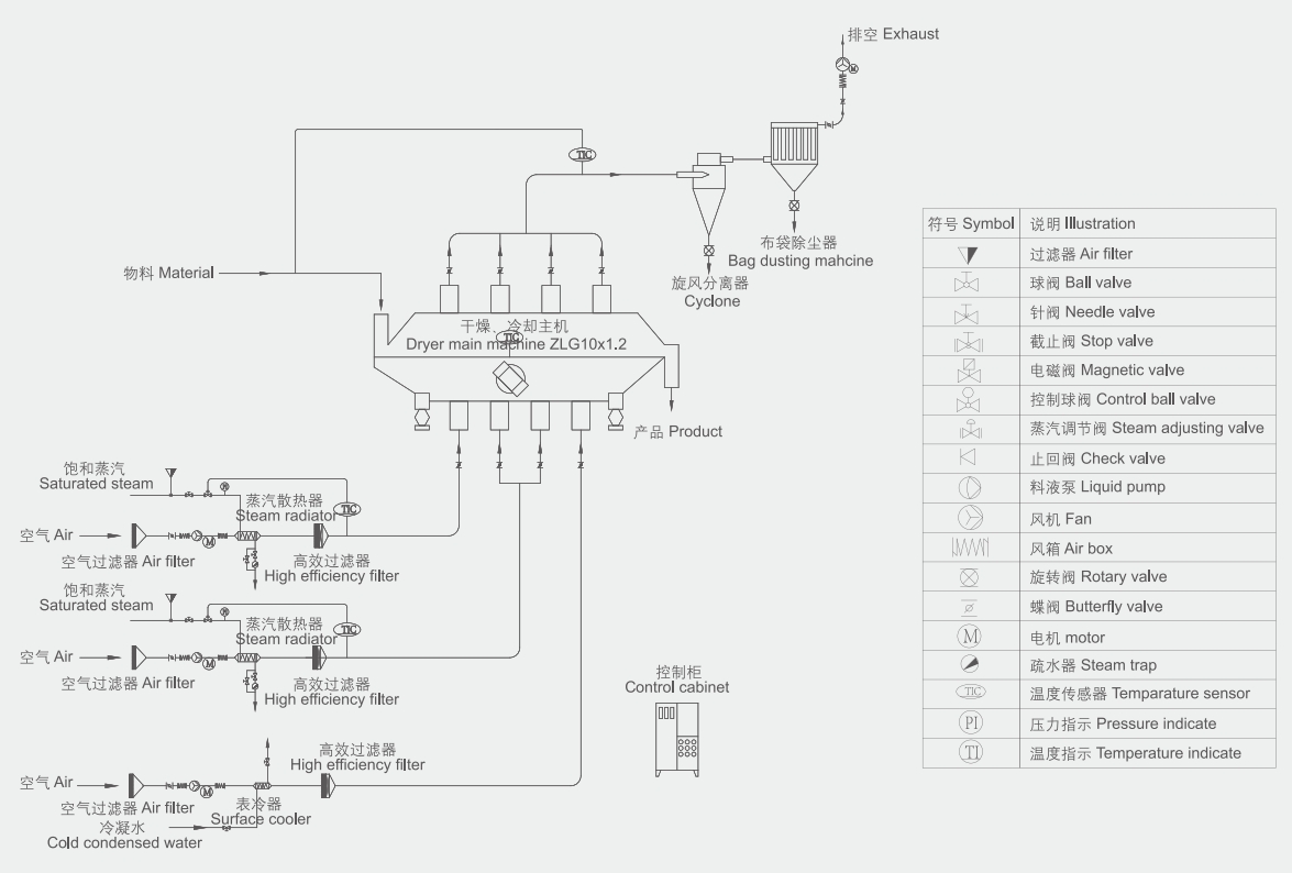
ZLG振動流化床干燥設備是采用沸騰干燥制粒、包衣、冷卻的干燥設備。振動流化床干燥器工作時,由振動電機提供的激振力,使物料在空氣分布板(沖孔板)上跳躍前進,同時與分布板下方送入的熱風接觸,進行熱、質傳遞。下箱體為床層提供了一個穩定的具有一定壓力的風室。調節引風機,使上箱體中床層物料上部保持微負壓,維持良好干燥環境并防止粉塵外泄。空氣分布板支撐物料并使熱風分布均勻。


結構優勢
采用封閉式結構,有效減少物料與外界環境交叉污染,提高潔凈度。
性能優勢
可用于易碎物料、不規則物料的干燥。

ZLG振動流化床干燥機應用范圍:
1、飼料類:木糖、味精、砂糖、檸檬酸、豆粕、酒糟、種子、顆粒狀雞精、一水葡萄糖、乳酸鈣、山梨糖醇等;
2、化工類:硼砂、硫銨、復合肥、苯二酚、氧化鐵、二甲基苯酚等;
3、廢物利用類:各類礦渣廢料等。
尚德干燥工程根據ZLG振動流化床干燥設備的特點,提供專業定制服務,并根據物料性質和工藝要求針對性的設計和配套設備,我司根據物料性質,出具專業定制化設計方案,并提供合理化加工工藝配套建議。期待您的光臨!