廠家直銷、品質鋼材、品類齊全、支持定制、快速供貨
咨詢熱線:
劉總 13961737591
60秒人工快速響應
30分鐘給予技術答復
24小時免費定制方案
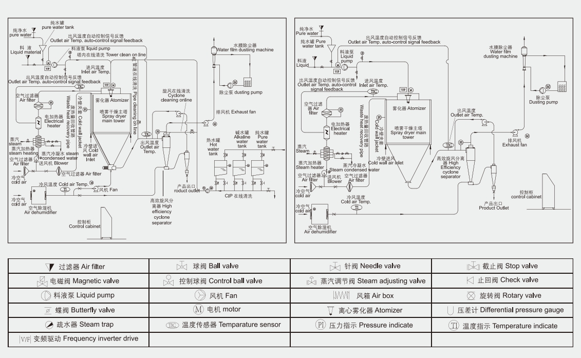
ZLPG中藥浸膏噴霧干燥設備是各類中藥在現代化生產中常用的將中藥中的根、莖、葉、花、果萃取后進行干燥的關鍵設備。設備主要用于將液態、半固態的中藥浸膏快速轉化為干燥粉末。


工藝優勢
根據原料有效成分,匹配符合工藝的設備和參數,保留有效中藥成分等。
技術優勢
工程師在中藥行業、干燥行業做了20余年,根據中藥性質相應的匹配配套工藝和細節。
保密優勢
新工藝、新配方、新技術均可在中藥浸膏專用干燥設備中進行。可以達到專人專職,流水線分段保密,以增強保密性。
設備優勢
配備霧化器和塔體冷卻系統防粘壁,配氣掃和振動系統防掛壁影響產品品質、防止產品焦化等。

ZLPG中藥浸膏噴霧干燥機設備應用范圍:
1、中藥領域:中藥提取物、中藥萃取物、當歸浸膏、白芍浸膏、板藍根浸膏、葛根浸膏、夏枯草等;
2、保健品領域:氨基酸、維生素、魚皮肽、海參肽、蟲草提取物、血紅素等。
尚德干燥工程可根據浸膏類物料特性和藥效專業定制離心噴霧干燥設備,歡迎各位新老客戶來電咨詢,我司配專人對接,全程陪同實驗,出具專業實驗數據報告并提供合理化加工工藝配套建議。期待您的光臨!