廠家直銷、品質鋼材、品類齊全、支持定制、快速供貨
咨詢熱線:
劉總 13961737591
60秒人工快速響應
30分鐘給予技術答復
24小時免費定制方案
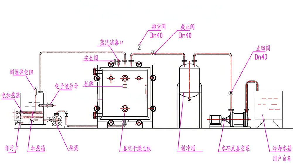
純水在沸騰狀態時具有大的汽化速度。常壓下,約100℃時純水開始沸騰。而在真空條件下,由于系統中水蒸汽分壓,遠低于物料表面的水蒸汽分壓,水的沸點低于100℃。例如:表面降至-0.07MPa時,水在70℃即開始沸騰。一般規律,真空度越高水的沸點越低。在真空干燥器內,汽化后的水能隨真空產生迅速排除,所以盡管在較低的操作溫度下,本干燥器仍有較大的干燥能力。 設備運行時,物料處于靜止狀態.有利于保持物料的初始形態,間歇操作,能隨時調整工藝條件,本設備均為人工裝卸料。 FZG方型系列干燥器,頂部布置為拱型結構,能有效克服凝結水返滴問題,進一步提高了干燥效率,并設計采用了四點合一抽真空結構,保證了各部位物料干燥的均勻性。本設備既可用于低溫干燥,又能用于溶劑回收,所用熱源可為熱水,導熱油。 特別適用于干燥過程中怕氧化的物料。


高效干燥
能在較低溫度下得到較高的干燥速率,熱量利用充分。
適應各種干燥
適合低溫干燥或熱敏性物料的干燥;能干燥含有溶劑及需回收溶劑的物料。
消毒處理
在干燥前可進行消毒處理,干燥過程中無任何不純物混入。
真空干燥
本干燥器屬于靜態真空干燥器,故干燥物料的形體不會損壞。


尚德干燥工程竭誠為您服務