廠家直銷、品質鋼材、品類齊全、支持定制、快速供貨
咨詢熱線:
劉總 13961737591
60秒人工快速響應
30分鐘給予技術答復
24小時免費定制方案
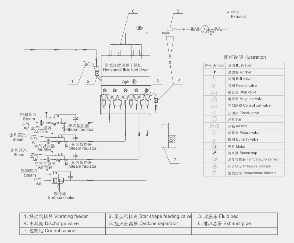
潔凈的熱風經閥板分配進入床體內,從加料器進入的濕物料被熱風形成流化狀態如煮沸的開水在床體內跳躍,故稱為沸騰干燥器(或機),由于熱風與物料廣泛接觸因此在較短的時間內就可以干燥。從床體的一頭進入,經幾分鐘至幾十分鐘時間的“沸騰”,從床體的另一頭自動流出。


高效干燥
干燥速度快,料液經霧化后,表面積大大增加,在熱風氣流中,瞬間就可蒸發95%-98%的水份,完成干燥時間僅需數秒鐘,特別適用于熱敏性物料的干燥。
均勻粒度
產品具有良好的均勻度、流動性和溶解性,產品純度高,質量好。
操作方便
生產過程簡化,操作控制方便。對于濕含量40-60%(特殊物料可達90%)的液體能一次干燥成粉粒產品,干燥后不需粉碎和篩選,減少生產工序,提高產品純度。對產品粒徑,松密度、水份,在一定范圍內可通過改變操作條件進行調整,控制和管理都很方便。

尚德干燥工程竭誠為您服務